1액형 디스펜서 정량토출기 시스템 구성 및 장비 안내 _ 디스펜서 설계 제작 전문 서경크로매틱스

디스펜서 설계 제작 전문
서경크로매틱스
031-496-9320~1
1액형 디스펜서 정량토출기 시스템 구성 및 장비 안내

※ 저점도 및 중점도의 재료를 저장용기에 넣고 CONTROLLER로 부터 압축공기를 직접 재료에 투입하여 정량 토출하는 시스템입니다.

CONTROLLER
바렐(시린지), 카트리지, TANK에 공기를 조절하여 재료 이송
TIME MODE [정량토출]
- T0 : 1 ~ 999msec / T1 : 0.01 ~ 9.99sec / T2 : 0.1 ~ 99.9sec
- STEDY [연속토출]
- INTERVAL [간혈토출]
- 0.03 ~ 9.99sec
- 카운트 기능 0 ~ 9999
Foot Switch, Finger Switch(Option), 무전압 N.O or dc 12~24V 선택가능

BARREL (시린지)
원료의 충진 후 보관 및 이동성 좋음
투명재질로 인해 작업 중 원료 잔량상태 파악이 용이함 (UV 적용 시 불투명 사용)
소량 작업시 사용

CARTRIDGE (카트리지)
BARREL(시린지)보다 사용량이 많아 충진 교체시간을 단축
카트리지 타입의 액체 사용시 (310ml 규격의 일반 실리콘 사용 가능)

TANK
TANK의 종류로는 씨니타리 개방형, 볼트 개방형, 경첩흰지 개방형, 냉각 및 가열히터 TANK, 교반장치, 진공탈포(기포제거), 재료 진공 충진형이 있음.
- 재질 : SUS304, SUS316
- 용량(Liter) : 주문제작형
- 레벨 게이지 설치 및 센서장착 유무에 따른 재료의 상태 확인 가능

VALVE (토출밸브)
VALVE의 종류는 VOLUME VALVE, SUCK VALVE, NIDDLE VALVE, 2액형 VALVE 등이 있으며 구동 PORT로 압축공기를 가하면 VALVE(ON) / CLOSE(OFF) 된다.
- VOLUME VALVE : 체적방식으로 필요한 양 만큼 충진하여 토출
- SUCK VALVE : 토출 후 니들 및 노즐 끝부분에 액이 맺히지 않도록 흡입
- NIDDLE VALVE : 바늘 형식의 PIN으로 토출구 닫음
- 2액형 VALVE : 주제, 경화제 두가지 액토출시 사용

NOZZLE
NOZZLE의 종류로는 멀티노즐, 메탈노즐, 테이퍼 니들, 플라스틱 니들 등이 있으며 토출형태에 따라 제작이 가능하며 시간, 압력 및 니들 지경의 선택에 따라 토출량을 임의로 조정할 수 있다.

ROBOT 연동
정밀한 제어로 인한 제품의 품질 향상
생산성 극대화
반복적인 작업으로 인한 피로도 감소

C-1
Air를 조절하여 액체면에 투입시켜 토출하는 방법으로 최소 0.001cc부터 시간, 압력, Needle Size를 선택하여 임의로 토출량을 조절하는 시스템입니다

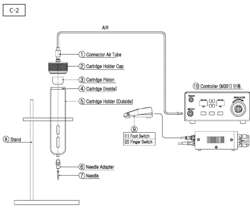
C-2
Air를 조절하여 액체면에 투입시켜 토출하는 방법으로 시간, 압력 Needle Size를 선택하여 임의로 토출량을 조절하는 시스템이며 C1(Barrel System)제품보다 많은 용량을 사용할 수 있습니다.

C-3
Air를 조절하여 액체면에 투입시켜 토출하는 방법으로 시간, 압력 Needle Size를 선택하여 임의로 토출량을 조절하는 시스템이며 300ml용량의 카트리지를 카트리지 홀더에 넣고 토출합니다.

C-4
Air를 조절하여 액체면에 투입시켜 토출하는 방법으로 시간, 압력 Needle Size를 선택하여 임의로 토출량을 조절하는 시스템이며 필요한 용량의 압력용기를 제작하여 토출합니다.

C-5
고점도 전용 압송 PUMP를 사용하여 액체를 다른 용기에 옮기지 않고 용기를 그대로 사용할 수 있어서 액체를 옮길 때 생성되는 기포를 방지할 수 있습니다.
Can Size에 맞춤식 PAD제작이 가능하여 사용재료의 Leak에 의한 낭비 최소화
사용액체 : Grease, Silicone, Epoxy, Paste 등

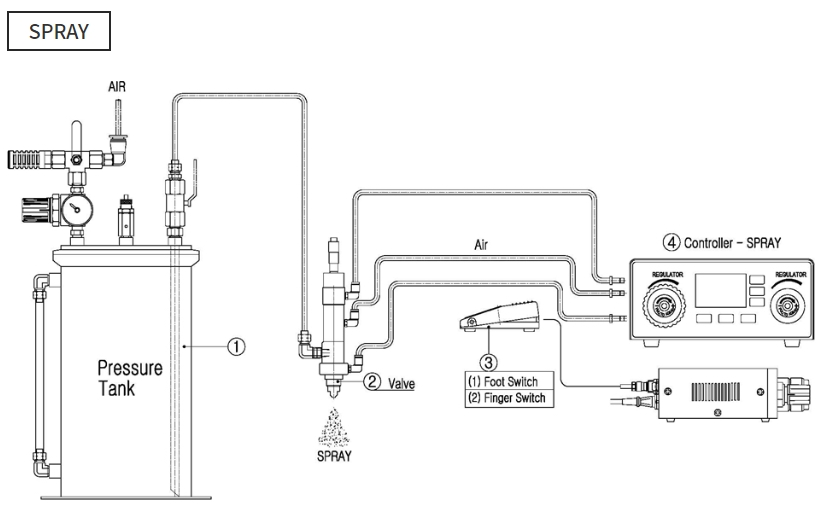
SPRAY
Air를 조절하여 액체면에 투입시켜 토출하는 방법으로 시간, 압력, Needle Size를 선택하여 임의로 토출량을 조절하고 스프레이 전용 밸브를 사용하여 분포합니다.

TUBE DISPENSER
순간 점착제, 오일, 혐기성 액체, 전해액, 잉크 등 각종 저점도 재료의 미량도포에 적합합니다.
디스펜서 설계 제작 전문
서경크로매틱스
031-496-9320~1
http://chromatics.co.kr/
'기계장비 > 일반산업기계' 카테고리의 다른 글
| 디스펜서 자동화, 디스펜서 로봇시스템 안내 - 디스펜서 설계 제작 전문 서경크로매틱스 (0) | 2022.10.07 |
|---|---|
| 정량토출기 컨트롤러, 디스펜서 컨트롤러 - 디스펜서 설계제작 전문 서경크로매틱스 (0) | 2022.09.30 |
| 디스펜서밸브 정량토출기 밸브 안내 - 디스펜서 설계 제작 전문 서경크로매틱스 (0) | 2022.09.23 |
| 1액형 토출기, 2액형 토출기 설계 제작 전문 서경크로매틱스 (0) | 2022.09.16 |
| 정량토출기 1액형, 2액형 정량토출기 및 정량토출기 펌프 안내 _ 디스펜서 전문 서경크로매틱스 (0) | 2022.09.08 |
| 정량토출기 1액형, 2액형 토출기 안내 _ 디스펜서 전문 서경크로매틱스 (0) | 2022.08.26 |
| 2액형정량충진기, 정량충징기 시스템 안내 _ 디스펜서 전문 서경크로매틱스 (0) | 2022.08.12 |
| 2액형 디스펜서 시스템 및 구성 안내 - 디스펜서 설계 제작 전문 서경크로매틱스 (0) | 2022.08.05 |
| 디스펜서 2액형 정량토출기 안내 _ 디스펜서 전문 서경크로매틱스 (0) | 2022.07.22 |
| 디스펜서 밸브, 믹서, 가스켓발포, 노즐 안내 _ 디스펜서 전문 서경크로매틱스 (0) | 2022.07.15 |